Julio
Cómo conectar los cables en un interruptor conmutado

Tengo un interruptor conmutado y el cable que le proporcionaba corriente se rompió. Tengo un cable que tiene 3 hilos de color marrón,azul y verde-amarillo,y no sé en qué ranura del conmutador va cada uno. Adjunto foto del conmutador que tengo. Gracias por cualquier ayuda de antemano!

Julio
Julio preguntó sobre
Electricistas
Actualizado Hace 4 meses

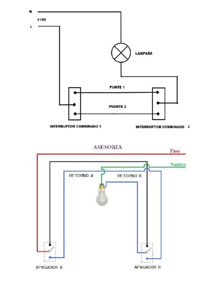
Cómo conectar los cables en un interruptor conmutado

Tengo un interruptor conmutado y el cable que le proporcionaba corriente se rompió. Tengo un cable que tiene 3 hilos de color marrón,azul y verde-amarillo,y no sé en qué ranura del conmutador va cada uno. Adjunto foto del conmutador que tengo. Gracias por cualquier ayuda de antemano!

¿Tienes alguna pregunta?
Pregunta a la comunidad

3 Respuestas

Jose Ignacio  Albert Ferrer
Jose Ignacio  Albert Ferrer
Jose Ignacio Albert Ferrer respondió... Servielec Valencia (Espioca, Valencia) Servielec Valencia - hace 4 meses

HOLA:

TIENES QUE CONECTAR LOS DOS DEL MISMO COLOR DONDE ESTÁN LAS FLECHAS Y OTRO CABLE QUE QUEDA QUE SERÁ DE COLOR DIFERENTE A LA "L"

Responder
¿Inapropiado? Reporta una incidencia
Jaime Mota Varas
Jaime Mota Varas
Jaime Mota Varas respondió... El Caharrito (Santander, Cantabria) El Caharrito - hace 4 meses

Primero pregunta

Solo te sale un cable ?

Con que otro conmutador estará conectado ?

La iluminación que quieres encender y apagar que colores de cable tiene .?

Todo depende de las contrstaciones de las preguntas

Responder
¿Inapropiado? Reporta una incidencia
José Manuel,
José Manuel,
José Manuel, respondió... José M. López (El Badorc, Barcelona) José M. López - hace 4 meses

Buenos días. Póngase en contacto con un profesional de su zona y le resolverá el problema de forma segura

Un saludo

Responder
¿Inapropiado? Reporta una incidencia
Deja tu respuesta

Para escribir una respuesta debes estar registrado. No está permitido incluir teléfonos de contacto, e-mails o enlaces a páginas web externas en este apartado, dicho contenido será moderado y eliminado.

Adjuntar fotografías
Pide presupuestos de electricistas en tu zona

Escoge un tipo de trabajo

¿Eres un profesional? Consigue más clientes fácilmente
Registrarse como profesional