¿Cuánto costaría hacer la instalación para los enchufes?

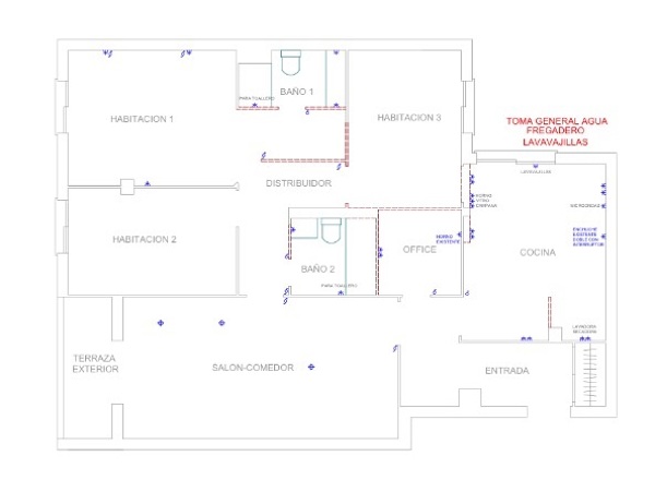
¿Cuánto costaría marcar rozas y meter cable de los puntos y enchufes indicados en el plano?

Ana
Ana preguntó sobre
Electricistas
Actualizado Hace 8 años

¿Cuánto costaría hacer la instalación para los enchufes?

¿Cuánto costaría marcar rozas y meter cable de los puntos y enchufes indicados en el plano?

3 profesionales han dejado sus precios aproximados para este tipo de trabajo

Precio aproximado
desde
20 €
hasta
30 €
en un minuto y sin compromiso

9 Respuestas

Enrique Jimenez Martinez
Enrique Jimenez Martinez
Enrique Jimenez Martinez respondió... Instalaciones Electricas Ejimar (Corbera, Valencia) Instalaciones Electricas Ejimar - hace 8 años

Los puntos de luz y tomas de corriente solemos instalarlos sobre unos 25 euros por unidad, esto incluye el marcado de rozas, tubo, cajas , cable de sección correspondiente, fichas de empalme. aparte el cuadro de automáticos. para esta instalación el boletín podríamos incluirlo también.

Responder
¿Inapropiado? Reporta una incidencia
Enrique
Enrique
Enrique respondió... Electricidad Enrique Molina (Majadahonda, Madrid) Electricidad Enrique Molina - hace 8 años

CADA PUNTO TIENE UN PRECIO

PUNTO DE LUZ SENCILLO PUNTO DE LUZ COMBINADO PUNTO DE LUZ DE CRUCE

PUNTO DE ENCHUFE PUNTO DE MAQUINAS DE LAVADO PUNTO DE HORNO/VITRO

PUNTO TV PUNTO TF

CUADRO DE DISTRIBUCCION

Responder
¿Inapropiado? Reporta una incidencia
Juan Jose
Juan Jose
Juan Jose respondió... Instalaciones J&j (Móstoles, Madrid) Instalaciones J&j - hace 8 años

El precio del punto de luz seria 23€mas iva compuesto de marcado de roza ,, cableado de tres ×2,5mm flexible bajo tubo reforzado de 20mm caja de mecanismo y mecanismo interruptor o base de enchufe marca simon 27 play blanco nieve

Responder
¿Inapropiado? Reporta una incidencia
Luis Rosero
Luis Rosero
Luis Rosero respondió... Luiselectricidad (Leganés, Madrid) Luiselectricidad - hace 8 años
El precio para este trabajo sería... 20 €

Este es el precio bace por punto (marcado de rosas,instalación de tubos libre de Halógenos, cable de sección 2.5mm2 y montaje de mecanismos) él precio del mecanismo marca y diseño a parte según elección. Una instalación eléctrica se hace para muchos años.

Responder
¿Inapropiado? Reporta una incidencia
Sergio Navarro Durante
Sergio Navarro Durante
Sergio Navarro Durante respondió... Construcciones Y Proyectos 2007 S.l.u (Madrid, Madrid) Construcciones Y Proyectos 2007 S.l.u - hace 8 años
El precio para este trabajo sería... 25 €

Buenos días, en principio para dar un presupuesto exacto debería de ver obra y medir en el sitio, normalmente por este tipo de trabajo estamos entorno a los 25€, siempre hay que tener en cuenta los m2 y cantidades que se van ha instalar.

Responder
¿Inapropiado? Reporta una incidencia
Jorge (Georgy) Bigiashvili
Jorge (Georgy) Bigiashvili
Jorge (Georgy) Bigiashvili respondió... BigG&C (Madrid, Madrid) BigG&C - hace 8 años
El precio para este trabajo sería... 30 €

Solo enchufes aproximadamiente 30€ ,pero si cambiamos en casa todo electricidad podemos rebajar hasta 25€.un saludo

Responder
¿Inapropiado? Reporta una incidencia
Miguel Angel Carrero
Miguel Angel Carrero
Miguel Angel Carrero respondió... M.A.E Montajes Eléctricos e Instalaciones (Móstoles, Madrid) M.A.E Montajes Eléctricos e Instalaciones - hace 8 años

Buenos dias, normalmente siempre se debe ver la obra, para observarla con detalle y presupuestarla en condiciones, de todas formas como una pequeña guia le puedo decir que suelo cobrar a 20 euros el punto y que sacar la cuenta es facil .A parte el cuadro general claro, y si necesitase el boletin de la instalacion.

Responder
¿Inapropiado? Reporta una incidencia
Lorena replicó... Particular - hace 8 años

Ana, te cobrará 20 euros por punto, y se los quedará, porque Miguel Ángel Carrero, es un estafador, ya somos 4 los estafados! Aunque habitissimo siga trabajando con él, no deja de estafar a particulares!

¿Inapropiado? Reporta una incidencia
Jesus Braojos
Jesus Braojos
Jesus Braojos respondió... Instalaciones Eléctricas J.braojos (Leganés, Madrid) Instalaciones Eléctricas J.braojos - hace 8 años

Normalmente yo cobro 30€ por punto en el cual incluye marcado, tubo, cajas, cable, y mecanismo. De todas formas lo mejor es verlo insitu.

Responder
¿Inapropiado? Reporta una incidencia
Deja tu respuesta

Para escribir una respuesta debes estar registrado. No está permitido incluir teléfonos de contacto, e-mails o enlaces a páginas web externas en este apartado, dicho contenido será moderado y eliminado.

Adjuntar fotografías
Pide presupuestos de electricistas en tu zona

Escoge un tipo de trabajo

¿Eres un profesional? Consigue más clientes fácilmente
Registrarse como profesional